Mon – Fri : 08:00 – 18:00
Weekend CLOSED
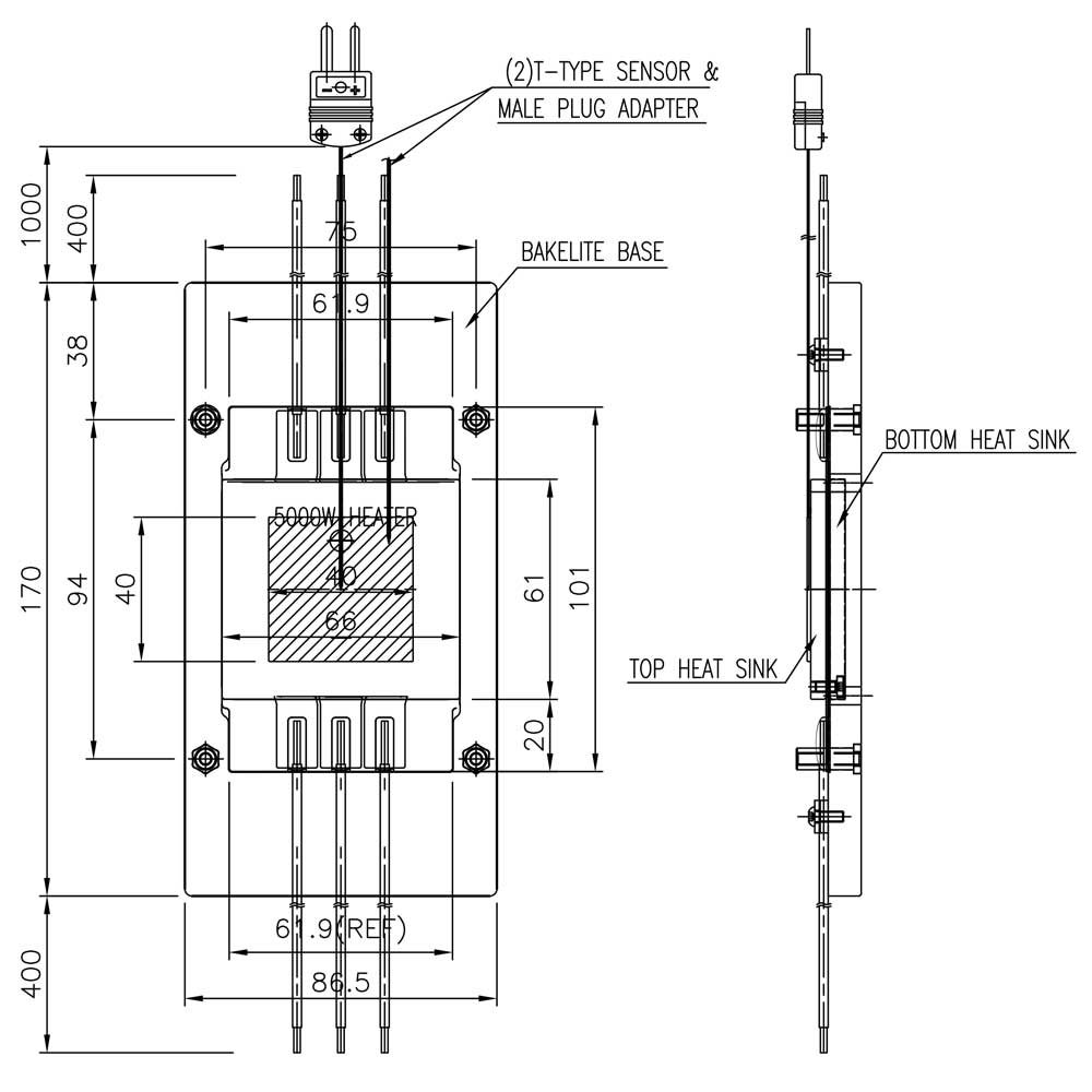
Super High-Power Thermal Test Vehicle (TTV) with Bakelite Base
Secure your Cold Plate testing with KLC’s Bakelite-integrated TTV.
High-power thermal simulation up to 12.8kW for AI & HPC. Custom bolt patterns and rigid mounting for precision data.
| Dimensions A × B (mm) |
Adjustable Voltage (V) | Max Current (A) | Max.Power (W) |
|---|---|---|---|
| 30 × 30 | 12–600 | 15.0 | 1800 |
| 35 × 35 | 12–600 | 21.0 | 2450 |
| 40 × 40 | 12–600 | 14.0 | 3200 |
| 50 × 50 | 12–600 | 10.4 | 5000 |
| 60 × 60 | 12–600 | 12.5 | 7200 |
| 80 × 80 | 12–600 | 50.6 | 12800 |
Product Description
KLC Super High-Power Thermal Test Vehicle (TTV) –
With Bakelite Cold Plate Mounting Base
-Updated December 2025 – Reviewed by the KLC Engineering Team
Push your cold plate to real server-level heat — without losing mechanical stability or data confidence.
The KLC Super High-Power Thermal Test Vehicle is engineered for serious thermal validation. Designed to securely mount liquid-cooled cold plates and deliver up to 12.8 kW of controlled heat, this TTV gives engineers a stable, repeatable heat testing module for cooling system in AI, CPU, GPU, HPC, and high-density compute systems.
The bakelite mounting base ensures a firm mechanical contact, making it easier to validate the cold plate design under real-world operating conditions.
Product Overview
The TTV can mimic up to 12,800W of chip heat load, so it’s a dependable way to test cold plates and liquid cooling system.
The Bakelite base is a strong mounting platform that keeps the Cold Plate firmly fixed, ensuring you get accurate and consistent thermal readings.
What is a Bakelite TTV?
A Bakelite TTV (Thermal Test Vehicle) is an advanced heat simulator for making sure cooling performance works well in AI, HPC, and data center applications.
Key Features
- Bakelite Base for Mounting Cold Plate
- Made to directly attach cold plates or cooling stuff.
- Provides strong, flat, and stays at a stable temperature.
- Ideal for testing AI, HPC, and liquid cooling systems.
- Thermal Validation
- Makes sure the heater and cold plate always touch just right.
- The power is adjustable, so you can test different cold plates to find the best one.
- Adjustable High-Power Output
- Available in 12V–600V adjustable or 110V / 220V fixed versions.
- Power ranges from 5W to 12,800W to meet any test need.
- Temperature Sensor Options
- Supports sensors for real-time monitoring.
- Single- or multi-point temperature sensing available.
- Full Customization Options
- Custom dimensions: 30×30mm to 80×80mm or per chip footprint.
- Custom power density, voltage, and mounting configurations.
- Compatible with Cold Plate, OAM, and liquid/water cooling systems.
How to Select Your TTV
To ensure the optimal configuration for your testing environment, please confirm the following technical requirements before inquiring:
- Target Power Range (W):
Define the maximum heat load you’ll need to simulate. - Operating Voltage (V):
Specify your power supply details (For example, 12V–600V adjustable or 110V/220V fixed). - Temperature Monitoring:
Do you need to track the temperature in real time?
We can set up sensors the way you need them (Single or Multi-point). - Mechanical Limits & Cooling Setup:
How much space do you have, and what type of cooling are you using? (Air Cooling, Liquid Cooling/Cold Plate, Immersion Cooling, or OAM Architecture)
With these details, our engineers can suggest the best setup and provide you a comprehensive spec sheet.
Available Power–Voltage Configurations:
12V~600V Super High-Power Thermal Test Vehicle (TTV)
| Dimensions (mm) | Adjustable Voltage (V) | Power Range (W) | Maximum Current (A) |
|---|---|---|---|
| 30 x 30 | 12 ~ 48 | 5 ~ 280 | 6 |
| 30 x 30 | 24 ~ 80 | 15 ~ 800 | 10 |
| 30 x 30 | 48 ~ 120 | 20 ~ 1600 | 15 |
| 30 x 30 | 80 ~ 200 | 50 ~ 2000 | 16 |
| 30 x 30 | 120 ~ 250 | 100 ~ 2000 | 16 |
| 30 x 30 | 200 ~ 400 | 300 ~ 2000 | 7 |
| 30 x 30 | 250 ~ 600 | 450 ~ 2000 | 7 |
| 35 x 35 | 12 ~ 48 | 5 ~ 400 | 10 |
| 35 x 35 | 24 ~ 80 | 15 ~ 1000 | 14 |
| 35 x 35 | 48 ~ 120 | 30 ~ 2000 | 20 |
| 35 x 35 | 80 ~ 200 | 100 ~ 2200 | 20 |
| 35 x 35 | 120 ~ 250 | 200 ~ 2500 | 12 |
| 35 x 35 | 200 ~ 400 | 500 ~ 2500 | 8 |
| 35 x 35 | 250 ~ 600 | 750 ~ 2500 | 6 |
| 40 x 40 | 12 ~ 48 | 5 ~ 380 | 8 |
| 40 x 40 | 24 ~ 80 | 20 ~ 1000 | 13 |
| 40 x 40 | 48 ~ 120 | 60 ~ 2000 | 19 |
| 40 x 40 | 80 ~ 200 | 80 ~ 2400 | 20 |
| 40 x 40 | 120 ~ 250 | 200 ~ 3000 | 16 |
| 40 x 40 | 200 ~ 400 | 500 ~ 3200 | 11 |
| 40 x 40 | 250 ~ 600 | 800 ~ 3200 | 11 |
| 50 x 50 | 12 ~ 48 | 10 ~ 380 | 8.0 |
| 50 x 50 | 24 ~ 80 | 25 ~ 1000 | 13.3 |
| 50 x 50 | 48 ~ 120 | 60 ~ 1600 | 17 |
| 50 x 50 | 80 ~ 200 | 150 ~ 2500 | 15 |
| 50 x 50 | 120 ~ 250 | 300 ~ 4000 | 19 |
| 50 x 50 | 200 ~ 400 | 850 ~ 4500 | 10 |
| 50 x 50 | 250 ~ 600 | 1400 ~ 5000 | 11 |
| 60 x 60 | 12 ~ 48 | 10 ~ 280 | 6 |
| 60 x 60 | 24 ~ 80 | 20 ~ 800 | 10 |
| 60 x 60 | 48 ~ 120 | 80 ~ 1800 | 15 |
| 60 x 60 | 80 ~ 200 | 200 ~ 2400 | 13 |
| 60 x 60 | 120 ~ 250 | 450 ~ 3600 | 15 |
| 60 x 60 | 200 ~ 400 | 1300 ~ 4600 | 12 |
| 60 x 60 | 250 ~ 600 | 2000 ~ 5000 | 12.5 |
| 80 x 80 | 12 ~ 48 | 10 ~ 450 | 10 |
| 80 x 80 | 24 ~ 80 | 20 ~ 1200 | 16 |
| 80 x 80 | 48 ~ 120 | 80 ~ 2000 | 20 |
| 80 x 80 | 80 ~ 200 | 200 ~ 3000 | 19 |
| 80 x 80 | 120 ~ 250 | 400 ~ 4000 | 21 |
| 80 x 80 | 200 ~ 400 | 1200 ~ 6000 | 19 |
| 80 x 80 | 250 ~ 600 | 1800 ~ 8000 | 15 |
110V / 220V Super High-Power Thermal Test Vehicle (TTV)
| Voltage (V) | Dimensions (mm) | Selectable Power (W) |
|---|---|---|
| 110 | 30 x 30 | 80, 260, 1500 |
| 110 | 35 x 35 | 130, 550, 2100 |
| 110 | 40 x 40 | 150, 400, 2000 |
| 110 | 50 x 50 | 250, 500, 2000 |
| 110 | 60 x 60 | 360, 740, 1500 |
| 110 | 80 x 80 | 320, 660, 2400 |
| 220 | 30 x 30 | 320, 1000 |
| 220 | 35 x 35 | 540, 2200 |
| 220 | 40 x 40 | 600, 1600 |
| 220 | 50 x 50 | 1000, 2000 |
| 220 | 60 x 60 | 1500, 3000, 6000 |
| 220 | 80 x 80 | 1300, 2600, 9600 |
Technical Highlights
- Bakelite Base: Mounts directly to cold plates and lines up perfectly.
- Voltage options: Adjustable from 12–600V or fixed at 110V–220V.
- High Power: Total Power output up to 12,800W.
- Customizable Size: 30×30mm to 80×80mm, or we can make it fit your heat source.

Customize Your TTV
Besides our usual products, KLC can fully customize TTV to fit what you need.
We can tailor your TTV based on:
- Custom dimensions (30 × 30 mm up to 80 × 80 mm, or other sizes upon request)
- Target power rating
- Required power density
- Fixed or adjustable voltage
- Integrated temperature sensor options
- Mounting, interface, and layout customization
- Application-specific thermal design
Simply share your required heat load, voltage, and mechanical constraints, and our engineering team will design the optimal TTV for your system.
Build Your Custom TTV with Bakelite Base!
From custom bolt patterns to extreme power requirements—our engineers design for your specific cold plate footprint.
Contact an Application Engineer: info@ptc-heater.com.tw
Applications
- AI / HPC Cold Plate and liquid cooling performance testing
- Thermal interface material (TIM) evaluation
- Vapor chamber and heat sink benchmarking
- Immersion and OAM thermal system design
- Cooling Solution Development
Frequently Asked Questions (FAQs)
Q1: What does the Bakelite base actually do?
The Bakelite base keeps the TTV and the Cold Plate locked together so the contact pressure actually stays constant throughout the entire test run. No drift, no strange data and reading.
Q2: Will it fit my existing Cold Plate?
Yes, whether you’re working with OAM footprints or a custom bolt pattern, just send us the CAD or a mounting diagram. We’ll drill the base to match your setup.
Q3: Is it suitable for liquid cooling systems?
That’s exactly what it’s for. Most of our current deployments are in liquid-cooled AI server racks and immersion tanks. It handles the high clamping force needed for a tight cold plate fit without risking electrical shorts or mechanical deformation when the heat goes up.
Q4: Why choose a Bakelite-mounted TTV ?
Engineers choose the Bakelite-integrated version because it eliminates the “mechanical instability” variable. You get repeatable, lab-grade results because the hardware is physically incapable of shifting during the test.
Related Products
- Thin Plate TTV (Thermal Test Vehicle)
- Multi-Zone Power TTV (Thermal Test Vehicle)
- Super High Power TTV (Thermal Test Vehicle)
More than 5,000 of our patented standard Ultra Thin Flexible Heaters are CSA, UL, CE recognized and REACH, RoHS compliant.
(cUL File Number: E315621 / CE: IEC60335-1:2010 & EC60335-1:2012)




