週一 – 五 : 8:00 – 18:0
週末及國定假日公休
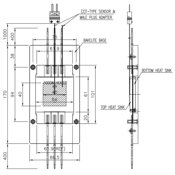
超高功率熱測試模組(TTV)含 Bakelite(電木)固定底板
需要討論散熱測試或 TTV 選型嗎?
金龍俊累積超過四十年加熱與熱管理經驗,熟悉工業設備、車用與伺服器領域的實際需求。
把預計的功率範圍、電壓條件與冷卻方式告訴我們,工程團隊可以協助一起確認規格並儘快提供報價。
專為 AI、HPC 與水冷板( Cold Plate )液冷系統散熱驗證打造的熱測試模組
–更新於 2025 年 12 月 · 由金龍俊科技加熱解決方案工程團隊審核
金龍俊的超高功率熱測試模組(TTV)— 底部配置 Bakelite(電木)固定底板,可直接鎖在(固定) Cold Plate(水冷板) 或其他冷卻模組,形成穩定的散熱測試結構。
這款超高功率熱測試模組(TTV),能讓工程師在做水冷板 (Cold Plate) 測試時,把冷板穩穩鎖在 Bakelite(電木)底板上,在測試中讓AI 與 HPC 結構不晃動、不位移,也更容易取得可重複的熱測試數據。

產品概述
這款 TTV 能幫你做什麼?
這一款電木底板 TTV,是給 AI、HPC 與資料中心冷卻團隊用來做散熱驗證的熱測試模組,重點在於能穩定模擬高功耗晶片的發熱行為。電木基座能將水冷板(Cold Plate)牢牢固定,確保熱測量數據精準。
什麼是電木板Bakelite TTV?
電木版 TTV 是一組給實驗室與研發工程師用的熱測試模組,為 人工智慧(AI) 、高效能運算HPC 及資料中心應用的冷卻效能驗證而設計。
其技術優勢包括:
- 超高功率熱模擬:最高 12,800W 輸出,適合用來模擬 AI GPU、加速卡或自訂高 TDP 晶片在滿載時的發熱條件。
- 電木 (Bakelite) 安裝基座:冷板可以直接鎖在基座上,鎖好之後在流體循環或長時間壓力測試中,對位比較不會跑掉。
- 機構穩定性: 在測試過程中維持加熱器與水冷板之間的精確對位。
- 精密驗證工具: 支援 12–600V 可調式電壓,以及 110V / 220V 固定電壓版本。
- 尺寸彈性: 30×30mm 至 80×80mm,或依測試熱源特性訂製。
主要特點
1. Bakelite 電木水冷板固定底板
- 直接鎖在水冷板或其他散熱模組上,鎖上後冷板位置不會亂跑,可以確保機械對位精準。
- 表面平整且具有穩定的機械與熱特性,適合長時間循環測試使用。
- 具備電氣絕緣特性,可搭配高壓電源做實驗室級量測而不影響安全距離配置。
- 對需要驗證 AI、HPC 或液冷系統散熱效能的工程師來說,是一個方便直接鎖冷板的測試基座。
2. 實測結果更接近實際冷板性能
- 透過穩固的鎖附結構,減少接觸不良造成的散熱誤差,讓實測結果更接近實際冷板性能。
- 功率範圍可調,工程師在做不同冷板或散熱方案 A/B 比較時,用同一組平台就能完成。
3. 多種功率範圍可選擇
- 提供 12–600V 可調式電壓與 110V / 220V 固定電壓版本,可依現場既有電源與測試規劃選型。
- 從 5W 到 12,800W,滿足各種測試需求
4. 可選配整合溫度感測器
- 可依需求選擇單點或多點溫度感測,方便直接量測冷板入口、出口或特定熱點附近溫度。
5. 全方位客製化
- 尺寸範圍自 30×30mm 到 80×80mm,可依實際晶片大小或模擬發熱區域來調整設計。
- 可客製電壓、功率、出線方向與螺絲孔位,方便直接整合到既有的冷板與測試架構中。
為什麼工程師選擇金龍俊 (KLC) 的 TTV?
在模擬 AI 與 HPC 伺服器的高功耗情境時,工程師在意的不只是熱功率本身,還包括冷板在長時間測試下會不會鬆、會不會跑位。
金龍俊的超高功率 TTV,就是為實驗室要反覆做熱測試、比對不同冷板或冷卻方案這種工作設計出來的。
- 穩固的機構固定 (Mechanical Integration):
Bakelite 電木安裝底板是專門為 Cold Plate(水冷板)設計的剛性鎖固介面,能承受實務上常見的鎖固扭力 (Tightening Torque),鎖緊後冷板與發熱核心在長時間循環測試中不會慢慢位移。 - 對應未來更高的運算功率:總瓦數(W)最高可達到 12,800 W 熱輸出,足以涵蓋目前 AI 模組與後續更高 TDP 規格的散熱評估需求。
- 有實務累積的技術背景:金龍俊在加熱器設計與熱管理領域累積超過 30 年經驗,長期供應工業設備、車用、半導體與伺服器相關客戶。
TTV 的規格與細部機構,都是從這些量產與實驗室專案中整理出來,再回饋到標準產品設計上。
如何選擇適合的 TTV
選型前建議先確認以下資訊:
- 目標功率範圍(W)
- 操作電壓(V)
- 是否需即時溫度監控 (若測試需進行溫度監控,請於詢問時告知,我們將提供相應的溫度感測器配置。)
- 機構空間或使用的散熱/冷卻介面(風冷 、液冷、 浸沒式、OAM 架構)
在提供相關需求後,我們的工程團隊將推薦最適合的配置並提供完整規格書。
標準規格
功率密度:高達500 W/cm²
冷卻系統:支援水冷冷卻系統/浸沒式冷卻系統

請參閱下表,找出最符合您需求的規格:
超高功率熱測試模組(Super High-Power TTV for OAM)-12V~600V
| 尺寸 (mm) | 可調電壓 (V) | 功率範圍(W) | 最大電流 (A) |
|---|---|---|---|
| 30 x 30 | 12 ~ 48 | 5 ~ 280 | 6 |
| 30 x 30 | 24 ~ 80 | 15 ~ 800 | 10 |
| 30 x 30 | 48 ~ 120 | 20 ~ 1600 | 15 |
| 30 x 30 | 80 ~ 200 | 50 ~ 2000 | 16 |
| 30 x 30 | 120 ~ 250 | 100 ~ 2000 | 16 |
| 30 x 30 | 200 ~ 400 | 300 ~ 2000 | 7 |
| 30 x 30 | 250 ~ 600 | 450 ~ 2000 | 7 |
| 35 x 35 | 12 ~ 48 | 5 ~ 400 | 10 |
| 35 x 35 | 24 ~ 80 | 15 ~ 1000 | 14 |
| 35 x 35 | 48 ~ 120 | 30 ~ 2000 | 20 |
| 35 x 35 | 80 ~ 200 | 100 ~ 2200 | 20 |
| 35 x 35 | 120 ~ 250 | 200 ~ 2500 | 12 |
| 35 x 35 | 200 ~ 400 | 500 ~ 2500 | 8 |
| 35 x 35 | 250 ~ 600 | 750 ~ 2500 | 6 |
| 40 x 40 | 12 ~ 48 | 5 ~ 380 | 8 |
| 40 x 40 | 24 ~ 80 | 20 ~ 1000 | 13 |
| 40 x 40 | 48 ~ 120 | 60 ~ 2000 | 19 |
| 40 x 40 | 80 ~ 200 | 80 ~ 2400 | 20 |
| 40 x 40 | 120 ~ 250 | 200 ~ 3000 | 16 |
| 40 x 40 | 200 ~ 400 | 500 ~ 3200 | 11 |
| 40 x 40 | 250 ~ 600 | 800 ~ 3200 | 11 |
| 50 x 50 | 12 ~ 48 | 10 ~ 380 | 8.0 |
| 50 x 50 | 24 ~ 80 | 25 ~ 1000 | 13.3 |
| 50 x 50 | 48 ~ 120 | 60 ~ 1600 | 17 |
| 50 x 50 | 80 ~ 200 | 150 ~ 2500 | 15 |
| 50 x 50 | 120 ~ 250 | 300 ~ 4000 | 19 |
| 50 x 50 | 200 ~ 400 | 850 ~ 4500 | 10 |
| 50 x 50 | 250 ~ 600 | 1400 ~ 5000 | 11 |
| 60 x 60 | 12 ~ 48 | 10 ~ 280 | 6 |
| 60 x 60 | 24 ~ 80 | 20 ~ 800 | 10 |
| 60 x 60 | 48 ~ 120 | 80 ~ 1800 | 15 |
| 60 x 60 | 80 ~ 200 | 200 ~ 2400 | 13 |
| 60 x 60 | 120 ~ 250 | 450 ~ 3600 | 15 |
| 60 x 60 | 200 ~ 400 | 1300 ~ 4600 | 12 |
| 60 x 60 | 250 ~ 600 | 2000 ~ 5000 | 12.5 |
| 80 x 80 | 12 ~ 48 | 10 ~ 450 | 10 |
| 80 x 80 | 24 ~ 80 | 20 ~ 1200 | 16 |
| 80 x 80 | 48 ~ 120 | 80 ~ 2000 | 20 |
| 80 x 80 | 80 ~ 200 | 200 ~ 3000 | 19 |
| 80 x 80 | 120 ~ 250 | 400 ~ 4000 | 21 |
| 80 x 80 | 200 ~ 400 | 1200 ~ 6000 | 19 |
| 80 x 80 | 250 ~ 600 | 1800 ~ 8000 | 15 |
超高功率熱測試模組(Super High-Power TTV for OAM) – 110V / 220V
| 電壓 (V) | 尺寸 (mm) | 功率選擇 |
|---|---|---|
| 110 | 30 x 30 | 80, 260, 1500 |
| 110 | 35 x 35 | 130, 550, 2100 |
| 110 | 40 x 40 | 150, 400, 2000 |
| 110 | 50 x 50 | 250, 500, 2000 |
| 110 | 60 x 60 | 360, 740, 1500 |
| 110 | 80 x 80 | 320, 660, 2400 |
| 220 | 30 x 30 | 320, 1000 |
| 220 | 35 x 35 | 540, 2200 |
| 220 | 40 x 40 | 600, 1600 |
| 220 | 50 x 50 | 1000, 2000 |
| 220 | 60 x 60 | 1500, 3000, 6000 |
| 220 | 80 x 80 | 1300, 2600, 9600 |
應用領域
- AI / HPC 水冷板與液冷效能測試
- 導熱界面材料 (TIM) 效能評估
- 均溫板 (VC) 與散熱器性能基準測試
- 浸沒式冷卻與 OAM 熱系統設計
- 散熱解決方案開發與優化
客製化您的電木板 TTV
從客製化孔位到極限功率需求——我們的工程師為您的水冷板(Cold Plate) 尺寸量身打造。
3D STEP 檔案與詳細規格書請聯絡應用工程師 : info@ptc-heater.com.tw ,將金龍俊的 TTV 完美整合進您的測試架構中,立即諮詢技術規格並獲取客製化報價。
常見問題 (FAQs)
Q1:電木(Bakelite )底板的主要功能是什麼?
A1: 電木底板的功能就是讓工程師可以把 Cold Plate(水冷板)或其他冷卻模組穩穩鎖在 TTV 上。在高壓流體循環或長時間老化測試時,機構比較不會鬆掉或位移,量出來的數據也比較一致。
Q2:可以配合我現有水冷板的孔位嗎?
A2: 可以,我們常幫客戶依現有冷板的 Bolt Pattern 做開孔與加工。只要提供圖面或 3D 檔案,工程團隊可以把 Bakelite 底板加工到「拿到就能直接鎖」的程度。
Q3:Bakelite TTV 可以搭配哪些冷卻系統?
A3: 可搭配 Cold Plate 液冷、水冷式冷卻以及 OAM 類型架構使用當。底板設計可以維持接觸壓力與對位精度,方便評估不同冷卻架構下的散熱表現。
Q4:什麼樣的專案適合選 Bakelite 固定式 TTV?
A4: 如果專案需要反覆拆裝冷板、比對不同水路或 TIM 配方,或是做長時間高功率壓力測試,工程師通常會選這種固定式 TTV,方便維持測試條件一致。
其他加熱產品












